• Contact us
  • Career
  • Terms and Conditions
  • Payment form
  • DE
  • EN
  • CN

Black cat logo Langer EMV-Technik

  • About us
    • Company
      • Career
      • Terms and Conditions
      • Company Profile
      • Milestones
    • Distributors
      • Asia
      • Europe
      • North America
    • Contact us
    • Map and Travel Information
    • Sponsoring
    • Events
    • Payment form
  • Products
    • PCB Immunity
      • Immunity Development System
      • Mini Burst Field Generators
      • Accessory EFT/Burst generators IEC 61000-4-4
      • Optical Signal Transmission
      • Burstdetector
    • PCB Emission
      • Measurement Technology for the Development Stage
      • Near-Field Probes
      • Preamplifier
      • Near-Field Microprobes
      • Optical Signal Transmission
    • IC Test System
      • IC Test Environment
      • Emission
      • Immunity
      • Simulation
    • IC Security
      • Fault Injection
      • Side-channel analysis
      • Positioning systems
    • Positioning Systems
      • Langer Scanner
      • Accessories for Langer Scanner
      • Near-field Scanner Probes
    • Software
      • CS-Scanner, ChipScan-Scanner Software / USB
      • CS-ESA set, ChipScan-ESA Software / USB
    • Measuring and Calibration Stations
      • PCB
      • IC
      • Connector
    • Equipment for Teaching and Training
      • EMC-Basic 1 set, Demonstration Boards Mini Burst Field Generators
      • EMC-Basic 2 set, Demonstration Boards Near-Field Probes
      • DB 20 set, Demo Board 20
      • D10 set, EMC Demonstration Board
  • Seminars
    • SF-GE, Experimental EMC Seminar - Interference Immunity - Basics & Troubleshooting (3 days)
    • SA-GE, Experimental EMC Seminar - Interference Emission - Basics and Troubleshooting (3 days)
    • SF IHS, Experimental EMC Inhouse Seminar - Interference Immunity 3 days
    • SA IHS, Experimental EMC Inhouse Seminar - Emission 2 days
    • Dates Overview
  • Services
    • EMC Workshops
      • WS ESA1, Workshop for Development System Emission
      • WS IC, EMC Workshop for Integrated Circuits
      • WS PCB, EMC-Workshop for Immunity and Emission
      • WS Scanner, Workshop for Langer Scanner
    • IC-EMC Analysis
      • Emission
      • Immunity
    • EMC Analysis
      • SMM Langer, Measuring of electromagnetic Shielding according to Langer method
      • COCI, Measurement of the Coupling Inductance of Connectors and Cables
    • EMV-B, EMC-Consulting / Hour
  • EMC Know-How
    • Technical article Board-EMC
      • Basic Knowledge
      • Immunity
      • Emission
    • Technical article IC-EMC
      • Basic Knowledge
      • Immunity
      • Emission
    • Langer EMV-Technik in scientific research
    • Newsletter
      • 17 ESA1 set
      • 16 ICI-DP sets
      • 15 tent and GP 23 set
      • 14 Mini Burst Field Generators in pocket size
      • 13 Achieve interference immunity by identifying and eliminating EMC weak points:
      • 12 ICR: Near-field analysis in the micrometer range and its advantages
      • 11 ChipSan-ESA now supports more measuring devices
      • 10 P512 and DPI
      • 09 Surface Scan on IC Level with high Resolution
      • 08 ESD and Efficient Electronic Design
      • 07 EMC Measurement Technology for Testing Integrated Circuits - An Introduction
      • 06 Measuring the Shielding Effectiveness at IC Level with the IC Test System P1402/P1502
      • 05 Time and cost savings when recording and documenting RF measurements with a spectrum analyzer
      • 04 Radiated Emissions at the PCB Level - An Introduction
      • 03 Interference suppression on a direct-current motor controlled by PWM
      • 02 XF sniffer probes and LVDS suppression
      • 01 MFA micro probes and LVDS suppression
    • Videos
      • How-to videos
      • EMC Webinar
  • PCB Immunity
  • PCB Emission
  • IC Test System
    • IC Test Environment
    • Emission
    • Immunity
      • EFT Coupling
      • ESD Coupling
        • P331-2 setESD Pulse Injection acc. IEC 61000-4-2
        • P331 L-ESD setLanger ESD Pulse 0.2/5 Injection
        • P1202-2 setESD Magnetic Field Coupling
        • P1202 / P1301 L-ESD setESD Langer Pulse H 0.2/2.5 E 0.2/5.5 ns Field Coupling
      • RF Coupling
    • Simulation
  • IC Security
  • Positioning Systems
  • Software
  • Measuring and Calibration Stations
  • Equipment for Teaching and Training
  • Products
  • IC Test System
  • Immunity
  • ESD Coupling
  • P331-2 set, ESD Pulse Injection acc. IEC 61000-4-2
  • P331-2, ESD Generator

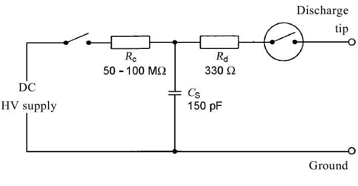
P331-2

ESD Generator

  • Short description
  • Technical parameters
Send enquiry Datasheet
  • P331-2, ESD Generator
  • Application with P331-2
    Application with P331-2
P331-2, ESD Generator Application with P331-2
  • P331-2, ESD Generator
  • Application with P331-2
Short description

The P331-2 ESD generator is used for conducted ESD coupling in accordance with standard IEC 61000-4-2 (system level) / HMM (Human Metal Model - component level, acc. to ANSI/ESD SP5.6-2009) directly into IC pins or in conjunction with couplers for coupling into special high-speed interface pins such as USB, LVDS, Ethernet etc.

Technical parameters
Internal resistance 330 Ω
Pulse parameter
Shape 0.7 / 60 ns
Frequency 0.1 Hz - 10 Hz
Voltage ± (0.1 - 6) kV
Weight 250 g
Sizes (L x W x H) (79 x 41 x 40) mm
Equivalent circuit Equivalent circuit Equivalent circuit
Pulse shape (standard) Pulse shape (standard) Pulse shape (standard)
Design, view 1 Design, view 1 Design, view 1
  • © Langer EMV-Technik
  • Contact us
  • Legal notice
  • Privacy policy
  • Sponsoring
  • facebook
  • YouTube
  • Linked-In
  • Twitter
Europäischer Fonds für regionale Entwicklung EFRE - Europäischer Sozialfonds ESF