P331-2
ESD Generator


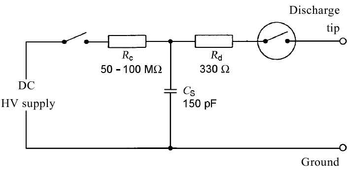
Kurzbeschreibung
Der ESD Generator P331-2 dient zur leitungsgebundenen ESD Einkopplung nach Norm IEC 61000-4-2 (Systemebene) / HMM (Human-Metal-Model - Komponentenebene, nach ANSI/ESD SP5.6-2009) direkt in IC-Pins oder in Verbingung mit Kopplern zur Einkopplung in spezielle High Speed Interface Pins wie USB, LVDS, Ethernet usw.