• Kontakt
  • Karriere
  • AGB
  • Zahlungsformular
  • DE
  • EN
  • CN

Black cat logo Langer EMV-Technik

  • Über uns
    • Firma
      • Karriere
      • AGB
      • Firmenprofil
      • Meilensteine
    • Distributoren
      • Asien
      • Europa
      • Nord Amerika
    • Kontakt
    • Anfahrt
    • Förderungen
    • Veranstaltungen
    • Zahlungsformular
  • Produkte
    • PCB-Störfestigkeit
      • Entwicklungssystem Störfestigkeit
      • Mini - Burstfeldgeneratoren
      • Zubehör EFT/Burst Generatoren IEC 61000-4-4
      • Optische Signalübertragung
      • Burstdetektor
    • PCB-Störaussendung
      • Entwicklungsbegleitende Messtechnik
      • Nahfeldsonden
      • Vorverstärker
      • Nahfeldmikrosonden
      • Optische Signalübertragung
    • IC Test System
      • IC Testumgebung
      • Störaussendung
      • Störfestigkeit
      • Simulation
    • IC Sicherheit
      • Fault Injection
      • Seitenkanalanalyse
      • Positioniersysteme
    • Positioniersysteme
      • Langer Scanner
      • Zubehör für Langer Scanner
      • Nahfeld-Scannersonden
    • Software
      • CS-Scanner, Software ChipScan-Scanner / USB
      • CS-ESA set, Software ChipScan-ESA / USB
    • Mess- und Kalibrierplätze
      • PCB
      • IC
      • Steckverbinder
    • Messtechnik für Lehre und Ausbildung
      • EMC-Basic 1 set, Demonstrationsboards Mini-Burstfeldgeneratoren
      • EMC-Basic 2 set, Demonstrationsboards Nahfeldsonden
      • DB 20 set, Demo Board 20
      • D10 set, EMV Demonstrationselektronik
  • Seminare
    • SF-GE, EMV Experimentalseminar Störfestigkeit Grundlagen & Entstörung (3 Tage)
    • SA-GE, EMV Experimentalseminar Störaussendung Grundlagen & Entstörung (3 Tage)
    • SF IHS, EMV Inhouseseminar Störfestigkeit 3 Tage
    • SA IHS, EMV Inhouseseminar Störaussendung 2 Tage
    • Terminübersicht
  • Dienstleistungen
    • EMV Workshops
      • WS ESA1, Workshop Entwicklungssystem Störaussendung
      • WS IC, Workshop EMV für integrierte Schaltkreise
      • WS PCB, Workshop Entwicklungsbegleitende EMV Störaussendung und Störfestigkeit
      • WS Scanner, Workshop zu Langer Scannern
    • IC-EMV Analyse
      • Störaussendung
      • Störfestigkeit
    • EMV Analyse
      • SMM Langer, Messung der elektromagnetischen Abschirmung nach dem Langer-Verfahren
      • COCI, Messung der Koppelinduktivität von Steckverbindern und Kabeln
    • EMV-B, EMV-Beratung und Elektronikentstörung
  • EMV-Wissen
    • Fachartikel Board-EMV
      • Basiswissen
      • Störfestigkeit
      • Störaussendung
    • Fachartikel IC-EMV
      • Basiswissen
      • Störfestigkeit
      • Störaussendung
    • Langer EMV-Technik in der wissenschaftlichen Forschung
    • Newsletter
      • 17 ESA1 set
      • 16 ICI-DP sets
      • 15 Schirmzelt und GP 23 set
      • 14 Mini-Burstfeldgeneratoren im Westentaschenformat
      • 13 Störfestigkeit EMV Schwachstellensuche:
      • 12 ICR: Nahfeldanalyse im Mikrometerbereich und ihre Vorteile
      • 11 ChipScan-ESA unterstützt nun mehr Messgeräte
      • 10 P512 und DPI
      • 09 Surface Scan on IC Level with high Resolution
      • 08 ESD und effizientes elektronisches Design
      • 07 EMV-Messtechnik zur Prüfung integrierter Schaltungen - Eine Einführung
      • 06 Messung der Schirmdämpfung auf IC-Ebene mit dem IC-Testsystem P1402/P1502
      • 05 Zeit- und Kostenersparnis bei der Aufnahme und Dokumentation von HF-Messungen mit Spektrumanalysatoren
      • 04 Strahlungsgebundene Störaussendung von PCB-Ebene - Eine Einführung
      • 03 Entstörung eines mit PWM betriebenen Gleichstrommotors
      • 02 XF Nahfeldsonden und LVDS Entstörung
      • 01 MFA Mikrosonden und LVDS Entstörung
    • Videos
      • Produktanwendung
      • EMV Webinar
  • PCB-Störfestigkeit
  • PCB-Störaussendung
  • IC Test System
    • IC Testumgebung
    • Störaussendung
    • Störfestigkeit
      • EFT Einkopplung
      • ESD Einkopplung
        • P331-2 setESD-Pulseinkopplung IEC 61000-4-2
        • P331 L-ESD setESD-Pulseinkopplung Langer Puls 0,2/5
        • P1202-2 setESD-Magnetfeldeinkopplung
        • P1202 / P1301 L-ESD setESD Feldeinkopplung Langer Puls H 0,2/2,5 und E 0,2/5,5 ns
      • HF Einkopplung
    • Simulation
  • IC Sicherheit
  • Positioniersysteme
  • Software
  • Mess- und Kalibrierplätze
  • Messtechnik für Lehre und Ausbildung
  • Produkte
  • IC Test System
  • Störfestigkeit
  • ESD Einkopplung
  • P331-2 set, ESD-Pulseinkopplung IEC 61000-4-2
  • P331-2, ESD Generator

P331-2

ESD Generator

  • Kurzbeschreibung
  • Technische Parameter
Anfrage senden Datenblatt
  • P331-2, ESD Generator
  • Anwendung mit P331-2
    Anwendung mit P331-2
P331-2, ESD Generator Anwendung mit P331-2
  • P331-2, ESD Generator
  • Anwendung mit P331-2
Kurzbeschreibung

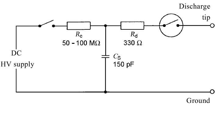
Der ESD Generator P331-2 dient zur leitungsgebundenen ESD Einkopplung nach Norm IEC 61000-4-2 (Systemebene) / HMM (Human-Metal-Model - Komponentenebene, nach ANSI/ESD SP5.6-2009) direkt in IC-Pins oder in Verbingung mit Kopplern zur Einkopplung in spezielle High Speed Interface Pins wie USB, LVDS, Ethernet usw.

Technische Parameter
Innenwiderstand 330 Ω
Pulsparameter
Form 0.7 / 60 ns
Frequenz 0.1 Hz - 10 Hz
Spannung ± (0.1 - 6) kV
Gewicht 250 g
Maße (L x B x H) (79 x 41 x 40) mm
Ersatzschaltbild Ersatzschaltbild Ersatzschaltbild
Pulsform (Norm) Pulsform (Norm) Pulsform (Norm)
Aufbau Ansicht 01 Aufbau Ansicht 01 Aufbau Ansicht 01
  • © Langer EMV-Technik
  • Kontakt
  • Impressum
  • Datenschutzerklärung
  • Förderungen
  • facebook
  • YouTube
  • Linked-In
  • Twitter
Europäischer Fonds für regionale Entwicklung EFRE - Europäischer Sozialfonds ESF